山東萬象環境科技有限公司
聯系人:毛經理
聯系電話:15666889815
QQ:1950883583
公司地址:山東省濰坊高新區新城街道玉清社區光電路155號濰坊高新區光電產業加速器(一期)1號樓301
PRODUCT
聯系人:毛經理
聯系電話:15666889815
QQ:1950883583
公司地址:山東省濰坊高新區新城街道玉清社區光電路155號濰坊高新區光電產業加速器(一期)1號樓301

更新時間:2025-12-15
產品型號:WX-QT7
產品價格:電議
產品品牌:萬象系
一、硫化氫傳感器技術參數
硫化氫傳感器又稱硫化氫氣體傳感器,硫化氫傳感器一種專門用于檢測空氣中硫化氫氣體濃度的設備, 具有高精度、快速響應,監測范圍廣泛等特點,配合報警儀能夠實現對硫化氫氣體的較高精度、靈敏度檢測,即使在復雜多變的環境中也能保持穩定的監測性能
型號 | 測量參數 | 測量范圍 | 精度 | 分辨率 | 單位 | 工作溫度 | 工作濕度 |
QT1 | 一氧化碳 | 0-1000PPM | ±2PPM | 1PPM | PPM | -20℃-+50℃ | 10-95%RH無冷凝 |
QT1S | 0-20PPM | ≤±5% | 0.01PPM | PPM | -20℃-+50℃ | 10-95%RH無冷凝 | |
QT2 | 二氧化硫 | 0-20PPM | ±1PPM | 0.1PPM | PPM | -20℃-+50℃ | 10-95%RH無冷凝 |
QT2S | 0-1PPM | ≤±5% | 0.001ppm | PPM | -20℃-+50℃ | 10-95%RH無冷凝 | |
QT3 | 二氧化氮 | 0-20PPM | ±1PPM | 0.1PPM | PPM | -20℃-+50℃ | 10-95%RH無冷凝 |
QT3S | 0-1PPM | ≤±5% | 0.001ppm | PPM | -20℃-+50℃ | 10-95%RH無冷凝 | |
QT4 | 臭氧 | 0-20PPM | ±1PPM | 0.1PPM | PPM | -20℃-+50℃ | 10-95%RH無冷凝 |
QT4S | 0-1PPM | ≤±5% | 0.001ppm | PPM | -20℃-+50℃ | 10-95%RH無冷凝 | |
QT5 | 氧含量 | 0~30%VOL | ±3%FS | 0.1%VOL | VOL | -20℃-+50℃ | 5-95%RH 無冷凝 |
QT6 | 負氧離子 | 0~10萬 個/cm3 | ±10% | 10個/cm3 | 個/cm3 | +10℃-+70℃ | 10-70%RH無冷凝 |
QT7 | 硫化氫 | 0-100PPM | ±2PPM | 1PPM | PPM | -20℃-+50℃ | 10-95%RH無冷凝 |
QT8 | 甲烷 | 0-100%LEL | ≤±3% | 1%LEL | LEL | -20℃-+50℃ | 10-95%RH無冷凝 |
QT9 | TVOC | 0-100PPM | 55±15 nA/ppm | 1PPM | PPM | -20℃-+50℃ | 10-95%RH無冷凝 |
QT10 | 氨氣 | 0-100PPM | ±4PPM | 1PPM | PPM | -20℃-+50℃ | 10-95%RH無冷凝 |
QT11 | 一氧化氮 | 0-250PPM | -2~10PPM | 1PPM | PPM | -20℃-+50℃ | 10-95%RH無冷凝 |
QT12 | 甲醛 | 0-10PPM | <1PPM | 0.1PPM | PPM | -20℃-+50℃ | 10-95%RH無冷凝 |
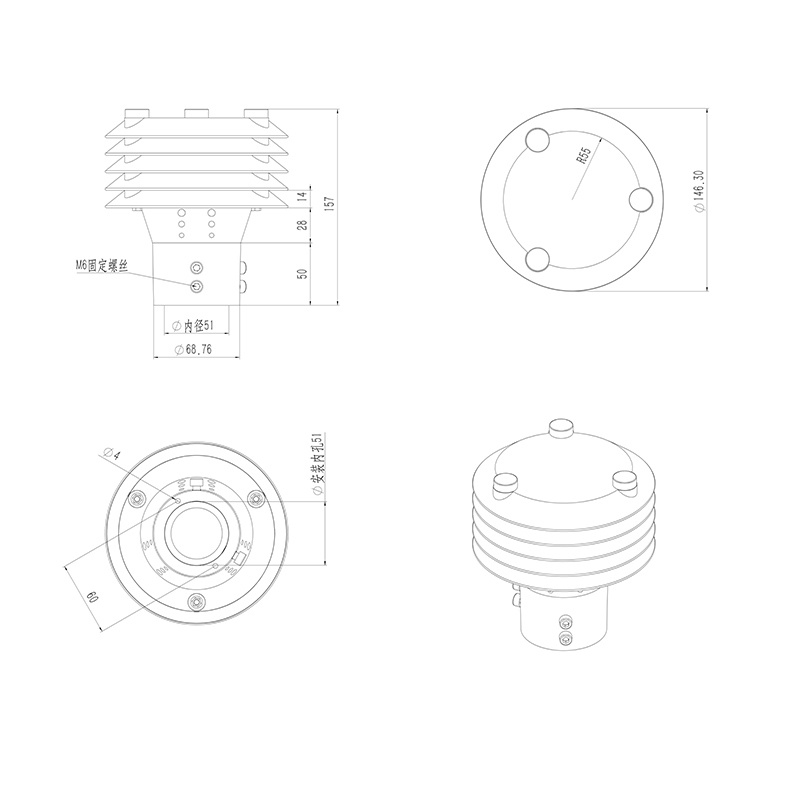
二、硫化氫傳感器產品尺寸圖

苗情監測站-守護幼苗安全生長
2025-12-15 09:02:20明渠流量監測系統-實時監測排水渠內的流量變化
2025-12-15 09:01:01捕捉風云變化的“掌中寶”:高精度手持氣象站
2025-12-15 08:59:27精準捕捉鼠情——鼠害監測儀的智能本領
2025-12-12 09:50:45應急管理手持氣象儀:戶外工作的“全能氣象助手”
2025-12-12 09:47:22道路“健康管家”:路面狀況監測站的全天候守護
2025-12-12 09:38:05便攜式氣象監測系統:如何讓環境數據"說走就走"?
2025-09-19 10:20:10袖珍手持氣象儀可穿戴
2024-07-24 10:26:14空氣負氧離子監測站對于景區管理有何具體幫助?
2025-01-02 10:57:19戶外光伏電站測試儀有什么作用?
2024-11-04 10:55:47農業環境監測儀的重要作用
2024-10-18 10:46:11多功能氣象站有哪些功能
2024-05-17 09:43:18