山東萬象環境科技有限公司
聯系人:毛經理
聯系電話:15666889815
QQ:1950883583
公司地址:山東省濰坊高新區新城街道玉清社區光電路155號濰坊高新區光電產業加速器(一期)1號樓301
PRODUCT
聯系人:毛經理
聯系電話:15666889815
QQ:1950883583
公司地址:山東省濰坊高新區新城街道玉清社區光電路155號濰坊高新區光電產業加速器(一期)1號樓301

更新時間:2025-12-15
產品型號:WX-QT11
產品價格:電議
產品品牌:萬象系
一、一氧化氮傳感器技術參數
一氧化氮傳感器是一種專門用于檢測空氣中一氧化氮氣體濃度的設備,一氧化氮傳感器通過電化學、化學發光等技術實現ppb級檢測精度,具有高精度,穩定性強, 響應速度快的特點,能夠實時監測氣體濃度的變化可用于環境監測、醫療診斷和工業安全等領域。
型號 | 測量參數 | 測量范圍 | 精度 | 分辨率 | 單位 | 工作溫度 | 工作濕度 |
QT1 | 一氧化碳 | 0-1000PPM | ±2PPM | 1PPM | PPM | -20℃-+50℃ | 10-95%RH無冷凝 |
QT1S | 0-20PPM | ≤±5% | 0.01PPM | PPM | -20℃-+50℃ | 10-95%RH無冷凝 | |
QT2 | 二氧化硫 | 0-20PPM | ±1PPM | 0.1PPM | PPM | -20℃-+50℃ | 10-95%RH無冷凝 |
QT2S | 0-1PPM | ≤±5% | 0.001ppm | PPM | -20℃-+50℃ | 10-95%RH無冷凝 | |
QT3 | 二氧化氮 | 0-20PPM | ±1PPM | 0.1PPM | PPM | -20℃-+50℃ | 10-95%RH無冷凝 |
QT3S | 0-1PPM | ≤±5% | 0.001ppm | PPM | -20℃-+50℃ | 10-95%RH無冷凝 | |
QT4 | 臭氧 | 0-20PPM | ±1PPM | 0.1PPM | PPM | -20℃-+50℃ | 10-95%RH無冷凝 |
QT4S | 0-1PPM | ≤±5% | 0.001ppm | PPM | -20℃-+50℃ | 10-95%RH無冷凝 | |
QT5 | 氧含量 | 0~30%VOL | ±3%FS | 0.1%VOL | VOL | -20℃-+50℃ | 5-95%RH 無冷凝 |
QT6 | 負氧離子 | 0~10萬 個/cm3 | ±10% | 10個/cm3 | 個/cm3 | +10℃-+70℃ | 10-70%RH無冷凝 |
QT7 | 硫化氫 | 0-100PPM | ±2PPM | 1PPM | PPM | -20℃-+50℃ | 10-95%RH無冷凝 |
QT8 | 甲烷 | 0-100%LEL | ≤±3% | 1%LEL | LEL | -20℃-+50℃ | 10-95%RH無冷凝 |
QT9 | TVOC | 0-100PPM | 55±15 nA/ppm | 1PPM | PPM | -20℃-+50℃ | 10-95%RH無冷凝 |
QT10 | 氨氣 | 0-100PPM | ±4PPM | 1PPM | PPM | -20℃-+50℃ | 10-95%RH無冷凝 |
QT11 | 一氧化氮 | 0-250PPM | -2~10PPM | 1PPM | PPM | -20℃-+50℃ | 10-95%RH無冷凝 |
QT12 | 甲醛 | 0-10PPM | <1PPM | 0.1PPM | PPM | -20℃-+50℃ | 10-95%RH無冷凝 |
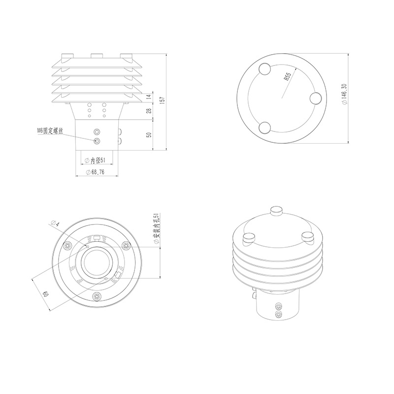
二、一氧化氮傳感器產品尺寸圖

苗情監測站-守護幼苗安全生長
2025-12-15 09:02:20明渠流量監測系統-實時監測排水渠內的流量變化
2025-12-15 09:01:01捕捉風云變化的“掌中寶”:高精度手持氣象站
2025-12-15 08:59:27精準捕捉鼠情——鼠害監測儀的智能本領
2025-12-12 09:50:45應急管理手持氣象儀:戶外工作的“全能氣象助手”
2025-12-12 09:47:22道路“健康管家”:路面狀況監測站的全天候守護
2025-12-12 09:38:05農田小氣候氣象站:智慧農業,防災減災的利器
2024-07-30 10:47:14校園氣象檢測站:守護校園的“氣象小衛士”
2025-12-02 10:05:49組串式el檢測儀對于光伏板的作用
2024-11-05 10:28:18自動雪深監測儀測量原理
2025-01-06 11:01:54在大型賽事的舉辦上為什么要選擇五要素車載氣象站?
2025-04-10 10:27:10空氣好不好,一測就知道:便攜式負氧離子檢測儀有多厲害?
2025-11-26 10:17:42