山東萬象環境科技有限公司
聯系人:毛經理
聯系電話:15666889815
QQ:1950883583
公司地址:山東省濰坊高新區新城街道玉清社區光電路155號濰坊高新區光電產業加速器(一期)1號樓301
PRODUCT
聯系人:毛經理
聯系電話:15666889815
QQ:1950883583
公司地址:山東省濰坊高新區新城街道玉清社區光電路155號濰坊高新區光電產業加速器(一期)1號樓301

更新時間:2025-12-19
產品型號:WX-QT4S
產品價格:電議
產品品牌:萬象系
一、高精度臭氧傳感器技術參數
高精度臭氧傳感器是一種能夠檢測空氣中臭氧濃度的設備,高精度臭氧傳感器防護等級IP65,雨天戶外也能安心使用,具有溫度、濕度范圍廣,安裝方便的特點,可用于工業環境監測、室外空氣質量檢測場所使用
型號 | 測量參數 | 測量范圍 | 精度 | 分辨率 | 單位 | 工作溫度 | 工作濕度 |
QT1 | 一氧化碳 | 0-1000PPM | ±2PPM | 1PPM | PPM | -20℃-+50℃ | 10-95%RH無冷凝 |
QT1S | 0-20PPM | ≤±5% | 0.01PPM | PPM | -20℃-+50℃ | 10-95%RH無冷凝 | |
QT2 | 二氧化硫 | 0-20PPM | ±1PPM | 0.1PPM | PPM | -20℃-+50℃ | 10-95%RH無冷凝 |
QT2S | 0-1PPM | ≤±5% | 0.001ppm | PPM | -20℃-+50℃ | 10-95%RH無冷凝 | |
QT3 | 二氧化氮 | 0-20PPM | ±1PPM | 0.1PPM | PPM | -20℃-+50℃ | 10-95%RH無冷凝 |
QT3S | 0-1PPM | ≤±5% | 0.001ppm | PPM | -20℃-+50℃ | 10-95%RH無冷凝 | |
QT4 | 臭氧 | 0-20PPM | ±1PPM | 0.1PPM | PPM | -20℃-+50℃ | 10-95%RH無冷凝 |
QT4S | 0-1PPM | ≤±5% | 0.001ppm | PPM | -20℃-+50℃ | 10-95%RH無冷凝 | |
QT5 | 氧含量 | 0~30%VOL | ±3%FS | 0.1%VOL | VOL | -20℃-+50℃ | 5-95%RH 無冷凝 |
QT6 | 負氧離子 | 0~10萬 個/cm3 | ±10% | 10個/cm3 | 個/cm3 | +10℃-+70℃ | 10-70%RH無冷凝 |
QT7 | 硫化氫 | 0-100PPM | ±2PPM | 1PPM | PPM | -20℃-+50℃ | 10-95%RH無冷凝 |
QT8 | 甲烷 | 0-100%LEL | ≤±3% | 1%LEL | LEL | -20℃-+50℃ | 10-95%RH無冷凝 |
QT9 | TVOC | 0-100PPM | 55±15 nA/ppm | 1PPM | PPM | -20℃-+50℃ | 10-95%RH無冷凝 |
QT10 | 氨氣 | 0-100PPM | ±4PPM | 1PPM | PPM | -20℃-+50℃ | 10-95%RH無冷凝 |
QT11 | 一氧化氮 | 0-250PPM | -2~10PPM | 1PPM | PPM | -20℃-+50℃ | 10-95%RH無冷凝 |
QT12 | 甲醛 | 0-10PPM | <1PPM | 0.1PPM | PPM | -20℃-+50℃ | 10-95%RH無冷凝 |
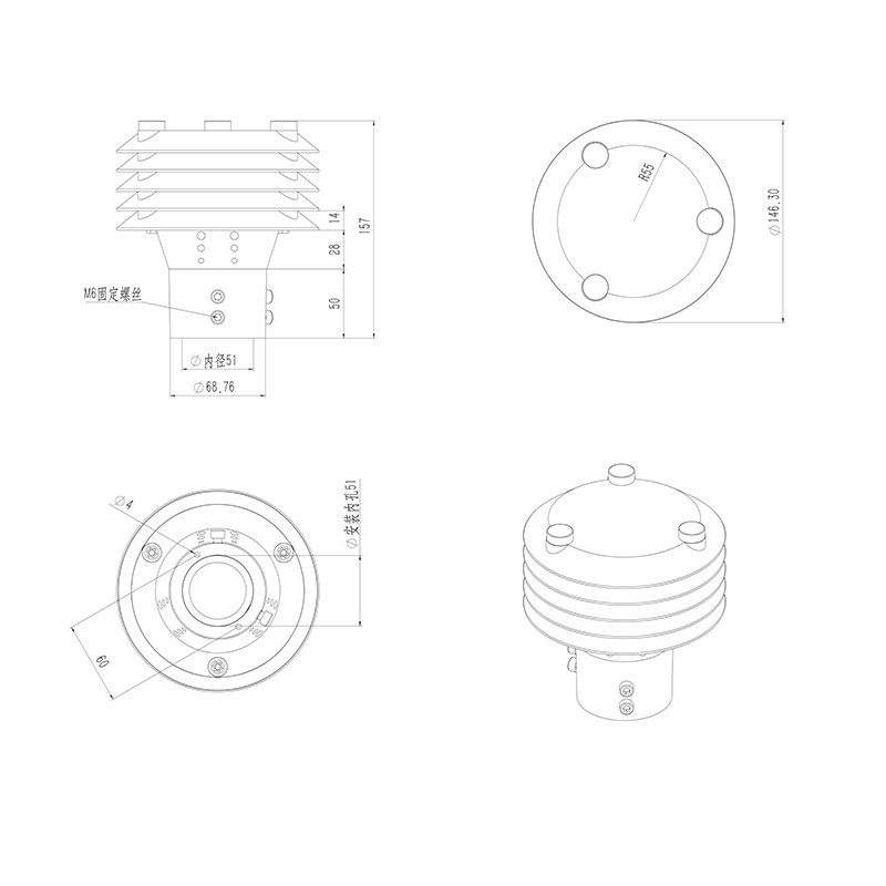
二、產品尺寸圖

看穿光伏板內部隱患!電致發光el測試儀讓檢測更精準
2025-12-19 10:05:46告別水質 “盲判”!便攜式檢測儀讓檢測隨時隨地
2025-12-19 10:04:07田間的氣象智慧管家:農業氣象觀測站的實用價值
2025-12-19 09:57:35并網式光伏氣象站如何助力高效發電?
2025-12-18 09:31:59鴿子性別鑒別儀:養鴿人的“貼心助手”
2025-12-18 09:30:37便攜式自動氣象站:隨身的“天氣感知官”
2025-12-18 09:29:10便攜式氣象五參數檢測儀——輕便監測氣象的儀器
2023-07-11 11:47:31智能孢子捕捉儀——科學、高效的農業防病管理手段
2023-10-23 10:29:13光伏板隱裂快速檢測儀:利用el原理檢測光伏板缺陷又快又準
2025-07-04 10:24:13超聲波一體化氣象站系統,在各個領域都有用處
2025-05-22 11:00:02農業氣象站:種植業的健康發展少不了它!
2025-04-22 10:59:13多普勒明渠流量監測系統,不用尺子量水流?多普勒技術如何實現明渠無感監測?
2025-10-24 10:43:09