山東萬象環境科技有限公司
聯系人:毛經理
聯系電話:15666889815
QQ:1950883583
公司地址:山東省濰坊高新區新城街道玉清社區光電路155號濰坊高新區光電產業加速器(一期)1號樓301
PRODUCT
聯系人:毛經理
聯系電話:15666889815
QQ:1950883583
公司地址:山東省濰坊高新區新城街道玉清社區光電路155號濰坊高新區光電產業加速器(一期)1號樓301

更新時間:2025-12-19
產品型號:WX-QT2S
產品價格:電議
產品品牌:萬象系
一、高精度二氧化硫傳感器技術參數
高精度二氧化硫傳感器又稱二氧化硫傳感器,高精度二氧化硫傳感器是一種用于監測空氣中二氧化硫濃度的傳感器設備,高精度二氧化硫傳感器能夠準確檢測空氣中二氧化硫的濃度,并實時輸出數據。其測量范圍廣泛,能夠覆蓋從低到高不同濃度的二氧化硫氣體,滿足不同場景的監測需求。
型號 | 測量參數 | 測量范圍 | 精度 | 分辨率 | 單位 | 工作溫度 | 工作濕度 |
QT1 | 一氧化碳 | 0-1000PPM | ±2PPM | 1PPM | PPM | -20℃-+50℃ | 10-95%RH無冷凝 |
QT1S | 0-20PPM | ≤±5% | 0.01PPM | PPM | -20℃-+50℃ | 10-95%RH無冷凝 | |
QT2 | 二氧化硫 | 0-20PPM | ±1PPM | 0.1PPM | PPM | -20℃-+50℃ | 10-95%RH無冷凝 |
QT2S | 0-1PPM | ≤±5% | 0.001ppm | PPM | -20℃-+50℃ | 10-95%RH無冷凝 | |
QT3 | 二氧化氮 | 0-20PPM | ±1PPM | 0.1PPM | PPM | -20℃-+50℃ | 10-95%RH無冷凝 |
QT3S | 0-1PPM | ≤±5% | 0.001ppm | PPM | -20℃-+50℃ | 10-95%RH無冷凝 | |
QT4 | 臭氧 | 0-20PPM | ±1PPM | 0.1PPM | PPM | -20℃-+50℃ | 10-95%RH無冷凝 |
QT4S | 0-1PPM | ≤±5% | 0.001ppm | PPM | -20℃-+50℃ | 10-95%RH無冷凝 | |
QT5 | 氧含量 | 0~30%VOL | ±3%FS | 0.1%VOL | VOL | -20℃-+50℃ | 5-95%RH 無冷凝 |
QT6 | 負氧離子 | 0~10萬 個/cm3 | ±10% | 10個/cm3 | 個/cm3 | +10℃-+70℃ | 10-70%RH無冷凝 |
QT7 | 硫化氫 | 0-100PPM | ±2PPM | 1PPM | PPM | -20℃-+50℃ | 10-95%RH無冷凝 |
QT8 | 甲烷 | 0-100%LEL | ≤±3% | 1%LEL | LEL | -20℃-+50℃ | 10-95%RH無冷凝 |
QT9 | TVOC | 0-100PPM | 55±15 nA/ppm | 1PPM | PPM | -20℃-+50℃ | 10-95%RH無冷凝 |
QT10 | 氨氣 | 0-100PPM | ±4PPM | 1PPM | PPM | -20℃-+50℃ | 10-95%RH無冷凝 |
QT11 | 一氧化氮 | 0-250PPM | -2~10PPM | 1PPM | PPM | -20℃-+50℃ | 10-95%RH無冷凝 |
QT12 | 甲醛 | 0-10PPM | <1PPM | 0.1PPM | PPM | -20℃-+50℃ | 10-95%RH無冷凝 |
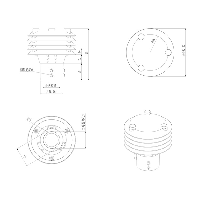
二、產品尺寸圖

看穿光伏板內部隱患!電致發光el測試儀讓檢測更精準
2025-12-19 10:05:46告別水質 “盲判”!便攜式檢測儀讓檢測隨時隨地
2025-12-19 10:04:07田間的氣象智慧管家:農業氣象觀測站的實用價值
2025-12-19 09:57:35并網式光伏氣象站如何助力高效發電?
2025-12-18 09:31:59鴿子性別鑒別儀:養鴿人的“貼心助手”
2025-12-18 09:30:37便攜式自動氣象站:隨身的“天氣感知官”
2025-12-18 09:29:10五要素氣象儀:氣象監測領域的“全能先鋒”
2025-09-15 10:34:40壓電雨量監測站:讓雨量精確數據盡在掌握
2025-07-21 10:33:06光伏氣象站:光伏發電環境監測優選
2025-04-18 10:55:47北斗水文環境監測站讓無信號難題不再困擾
2025-08-14 10:42:52安裝多層土壤墑情監測站的必要性。
2023-06-02 10:24:32手持式電波流速儀,在測量水流流速方面有什么方便之處?
2025-04-01 10:49:42